Back to Home Page of CD3WD Project or Back to list of CD3WD Publications

Index.htm Thr470.htm

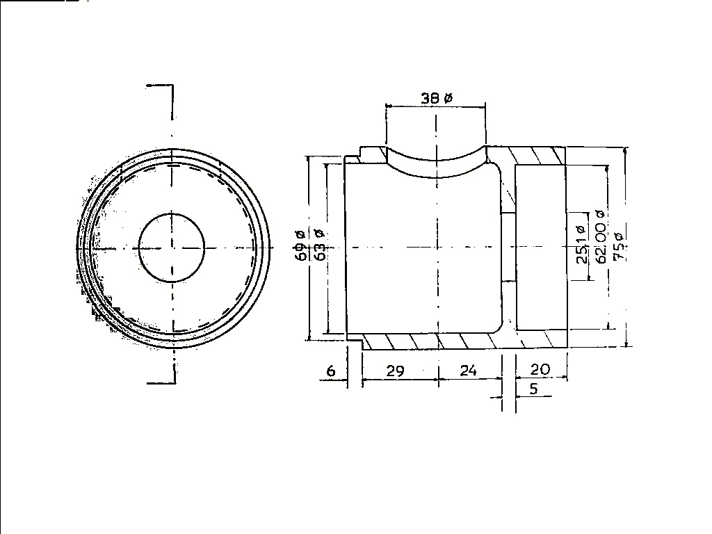
PEDAL THRESHER / MILL - STATIONARY PLATE LOCATING FLANGE, 1 PIECE, MILD STEEL

CD3WD Project Donate