Back to Home Page of CD3WD Project or Back to list of CD3WD Publications

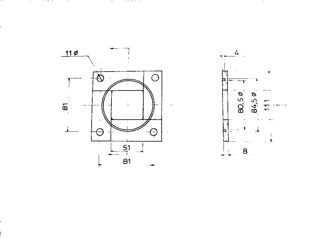
2 MAN LOW LIFT TROLLEY WATER PUMP – PUMP BARREL REAR FLANGE ASSEMBLY, 1 PIECE, MILD STEEL, WELDED CONSTRUCTION, COMPLETE WITH MACHINED 80mm DIAMETER GROOVE FOR LOCATION OF PVC BARREL

Index.htm Dwg009.htm Dwg011.htm

CD3WD Project Donate