Back to Home Page of CD3WD Project or Back to list of CD3WD Publications

Index.htm Thr460.htm

 

 

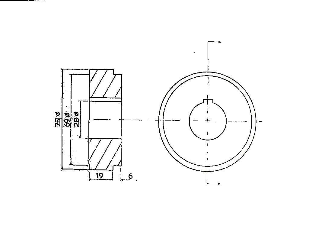
PEDAL THRESHER / MILL - ROTARY PLATE LOACTING FLANGE, 1 PIECE, MILD STEEL

CD3WD Project Donate