Back to Home Page of CD3WD Project or Back to list of CD3WD Publications

Industrie et artisanat


Table des matières - Précédente - Suivante

44. Engrais azotés (matières premières, production d'ammoniac et d'urée)

1. Présentation du domaine d'intervention
2. Effets sur l'environnement et mesures de protection

2.1 Synthèse d'ammoniac gazeux

2.1.1 Synthèse d'ammoniac gazeux à partir d'hydrocarbures
2.1.2 Synthèse d'ammoniac gazeux à partir d'huiles lourdes résiduelles
2.1.3 Synthèse d'ammoniac à partir de combustibles solides
2.1.4 Electrolyse de l'eau et décomposition de l'air

2.2. synthèse et stockage de l'ammoniac
2.3 Synthèse et granulation de l'urée

3. Aspects à inclure dans l'analyse et l'évaluation des effets sur l'environnement
4. Interactions avec d'autres domaines d'intervention
5. Appréciation récapitulative des effets sur l'environnement
6. Bibliographie

1. Présentation du domaine d'intervention

Actuellement les besoins mondiaux en engrais azotés synthétiques se montent à env. 80 millions de tonnes par an. Il n'y a pratiquement qu'un seul produit qui fournisse l'azote nécessaire à la production de ces engrais: l'ammoniac - formule chimique NH3 -, que l'on reconnaît à son odeur âcre, gazeux dans les conditions ambiantes habituelles et liquide à -33°C sous pression atmosphérique.

La production d'ammoniac à grande échelle, à partir de l'azote de l'air et de l'hydrogène par synthèse catalytique, a débuté en 1913.

L'hydrogène nécessaire est obtenu par conversion d'hydrocarbures naturels et de vapeur d'eau à des températures relativement élevées

CnHm + 2nH2O = (m/2 + 2n) H2 + nCO2 (réaction endothermique)

Les matières premières suivantes sont utilisées pour la production d'ammoniac de synthèse:

- Houille
- Lignite
- Tourbe
- Résidus d'hydrocarbures à haut point d'ébullition
- Essence légère
- Gaz naturel et autres gaz

Pour des raisons économiques, la décomposition électrolytique de l'eau pour l'obtention de l'hydrogène servant à la synthèse de l'ammoniac ne joue qu'un rôle limité.

Dans tous les cas, le gaz de synthèse obtenu est transformé directement en ammoniac.

3H2 + N2 = 2NH3

L'ammoniac sous forme de gaz liquéfié ne convenant pas toujours à la fumure directe, qui est d'ailleurs liée à la mise en oeuvre de moyens considérables, le produit est transformé en partie ou entièrement en urée ou autres engrais azotés sur place. Seules quelques rares installations produisent exclusivement pour l'exportation.

Le présent dossier traite uniquement de la production synthétique d'urée à partir d'ammoniac et de dioxyde de carbone (CO2) récupéré comme sous-produit du fractionnement des hydrocarbures.

Aujourd'hui, les capacités de production des installations courantes se situent dans une plage de 400 à 2000 t par jour pour le NH3 et de 600 à 3000 t par jour pour l'urée.

L'implantation des usines ne répond pas à des critères particuliers, elle peut s'orienter aussi bien aux sites de production des matières qu'aux centres de consommation ou aux moyens de transport.

L'impact écologique des installations de production englobe toute une série de facteurs: effluents gazeux, eaux usées, pollution thermique, poussières, résidus solides, ainsi que les nuisances liées au bruit, aux voies de transport, à l'emprise des installations sur le terrain et aux effets de l'industrialisation en général.

Les aspects bruit, transports, consommation d'espace et les autres phénomènes liés à l'industrialisation se seront pas abordés dans ce dossier ; pour ces questions particulières, on se reportera utilement au dossier "Planification de la localisation des activités industrielles et commerciales".

L'exposé qui suit énumère les produits auxiliaires, intermédiaires, les sous-produits et déchets ou résidus liés au processus de production et indique les mesures à prendre pour éviter les influences néfastes sur l'environnement, pour respecter les valeurs limites prescrites et pour éliminer les déchets de façon réglementaire.

2. Effets sur l'environnement et mesures de protection

2.1 Synthèse d'ammoniac gazeux

2.1.1 Synthèse d'ammoniac gazeux à partir d'hydrocarbures légers

Le reformage catalytique à la vapeur (steamreforming) d'hydrocarbures légers tels le gaz naturel, le gaz associé, le GPL, l'essence légère et autres gaz contenant du H2 et des hydrocarbures, tels les gaz de cokerie et de raffinerie, constitue aujourd'hui un procédé très répandu en raison de sa rentabilité.

Environ 80% des installations de synthèse d'ammoniac fonctionnent selon ce procédé fortement endothermique qui, dans le cas de la conversion de méthane, peut se représenter par la réaction chimique suivante:

CH4 + 1,39 H2O + 1,45 AIR = CO2 + 2,26 (H3 + N)

Dans une première étape, les hydrocarbures légers sont soumis à une transformation catalytique à l'aide de vapeur d'eau, à des températures comprises entre 750°C et 800°C et apport de chaleur (reformage primaire). Dans une deuxième étape, autogène, la conversion s'effectue en présence d'air par une température d'env. 1000°C (reformage secondaire) et selon les conditions d'équilibre définies par la pression et la température, la réaction fournit un mélange de H2, CO, CO2, N, CH4 ainsi que des traces d'argon. L'air utilisé pour la conversion autogène dans le reformeur secondaire assure l'apport dans le système de l'azote nécessaire à la synthèse de l'ammoniac. L'oxyde de carbone (CO) qui se forme subit ensuite une conversion catalytique en présence de vapeur à des températures de 300°C à 450°C (procédé biétagé en général) pour donner H2 et CO2.

Production d'amoniac à partir d'hydrocarbures légers

Avant la transformation catalytique, il est indispensable d'éliminer le soufre, le chlore et les autres composés qui empoisonnent les catalyseurs. On utilise à cet effet un procédé d'épuration des gaz mono- ou multiétagé.

La conversion en hydrogène du monoxyde de carbone contenu dans les gaz est suivie de la séparation du gaz carbonique, obtenue par des lavages chimiques ou mécaniques qui permettent simultanément de produire un flux de CO2 convenant pour la synthèse de l'urée.

Le degré de pureté requis pour le mélange H2/N entrant dans la synthèse de l'ammoniac est atteint grâce à une épuration fine en aval de l'élimination du CO2.

Dans la plupart des installations, ce sont les matières premières entrant dans le procédé qui servent au chauffage du reformeur primaire.

Grâce à une exploitation intensive des calories produites, presque tous les procédés liés à la synthèse d'ammoniac peuvent fonctionner de façon autonome, c'est-à-dire que seule la mise en route nécessite de la vapeur d'origine externe ou produite par une chaudière d'appoint. Les besoins en énergie d'installations modernes autonomes ne dépassent guère 29 GJ/t de NH3.

· Flux de déchets, polluants et mesures de protection:

(a) Effluents gazeux

- Dioxyde de carbone (CO2):

Concentré à env. 98,5 vol%, il est employé entièrement ou en partie comme matière première pour la synthèse de l'urée et peut être émis dans l'atmosphère sans traitement préliminaire, puisque les impuretés qu'il contient se limitent pratiquement à H2, N2 et CH4.

- Les gaz de fumées du reformeur primaire et des chaudières à vapeur:

Si le combustible utilisé contient trop de soufre, il doit subir un traitement d'épuration afin que soient respectées les valeurs de SO2 admissibles dans les gaz de fumées. Pour le reformeur primaire, il est possible de prendre des mesures en vue d'abaisser les émissions de NOx. Les gaz de fumées sont rejetés dans l'atmosphère par les cheminées. Ils doivent dans ce cas respecter les valeurs limites admissibles, par ex. celles définies par les Instructions Techniques pour le maintien de la pureté de l'air "TA-Luft applicables en Allemagne.

- Autres effluents:

Tous les autres effluents produits par les installations renferment des composants combustibles qui permettent d'alimenter le système de chauffage aux gaz de l'installation. En cas d'incident, les gaz de procédé (H2, CH4, CO, CO2, NH3, N2, vapeur d'eau) doivent être brûlés temporairement dans une torchère, de sorte que seuls les gaz de fumées soient rejetés dans l'atmosphère.

(b) Eaux usées:

- Condensat de procédé:

En règle générale, ces eaux sont traitées et employées à l'alimentation des chaudières.

- Eau de purge des générateurs de vapeur:

Ne contient pas de substances toxiques et peut être évacuée sans traitement ou dirigée vers le circuit d'eau de refroidissement.

- Eau de purge des circuits de refroidissement:

Selon le degré d'encrassement, la teneur en inhibiteurs de corrosion, en produits anti-tartre et en biocides, il faudra prévoir un traitement d'épuration avant l'évacuation.

- Eaux usées des installations de déminéralisation de l'eau d'alimentation des chaudières:

Les eaux usées ainsi produites peuvent être évacuées après neutralisation.

- Lessives résiduaires du lavage de CO2:

Dans des conditions de fonctionnement normal, les laveurs ne génèrent pas de flux de déchets. Les eaux de rinçage sont à traiter de la même façon que les eaux usées des installations de déminéralisation ou des circuits d'eau de refroidissement.

(Pour les eaux usées en général, voir également dossier "Assainissement").

(c) Résidus solides

- Boues:

Les résidus boueux recueillis à l'épuration des circuits de refroidissement devront faire l'objet d'une mise en décharge appropriée à leur nature.

- Catalyseurs épuisés et produits d'épuration:

Selon l'usage prévu et le mode de fonctionnement des installations, la durée de vie des catalyseurs employés dans les installations de production d'ammoniac varie entre 2 et 8 ans. Les catalyseurs dont l'activité est devenue insuffisante sont remplacés. La plupart des catalyseurs renferment des quantités notables d'oxydes et de sulfures des métaux lourds CO, Ni, Mo, Cu, Zn, Fe, non solubles dans l'eau, tandis que les produits d'élimination du soufre, une fois épuisés, consistent simplement en oxydes et sulfures hydrosolubles, de Zn ou Fe et les produits d'élimination du chlore en NaCl/Na2O et Al2O3. Les déchets retournent en partie chez le fabricant en vue d'un retraitement ou sont récupérés par des usines métallurgiques en vue du recyclage des métaux. A défaut, il faudra prévoir une mise en décharge réglementaire en fonction de la composition des produits. Dans le cas du catalyseur de conversion HT contenant du Cr hydrosoluble, on veillera par ex. à empêcher toute contamination de cours d'eau ou de sols cultivés.

(Pour les questions générales relatives aux déchets, voir également les dossiers "Elimination des déchets" et "Elimination des déchets dangereux")

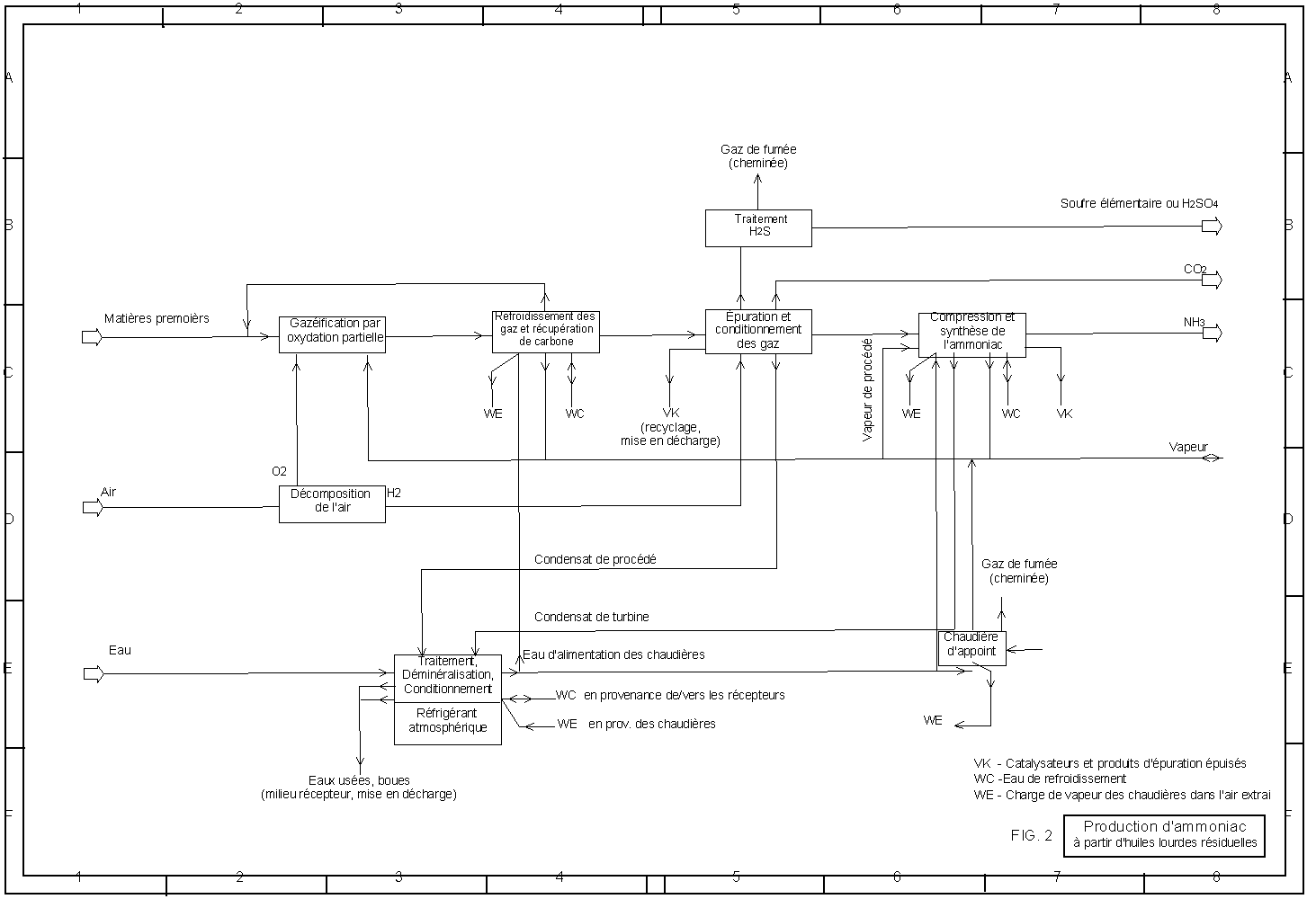
2.1.2 Synthèse d'ammoniac à partir d'huiles lourdes résiduelles

Pour la sauvegarde de l'environnement, les résidus du raffinage du pétrole contenant du soufre et des métaux lourds ne devraient plus être incinérés directement. Ils peuvent en revanche être employés efficacement à la production d'ammoniac de synthèse.

Ces résidus sont gazéifiés par oxydation partielle au moyen de l'oxygène fourni par les installations de décomposition de l'air qui produisent également l'azote nécessaire à la synthèse de l'ammoniac. La réaction globale est la suivante:

CnHm + n/2 O2 = n CO + m/2 H2

Une nouvelle conversion avec de la vapeur d'eau, et la séparation des impuretés telles H2S, COS, CNS, HCN, la suie et les résidus métalliques provenant des matières ou résultant des procédés appliqués permet finalement d'obtenir l'hydrogène nécessaire à la synthèse de l'ammoniac.

L'ensemble du processus consommant de grandes quantités d'énergie, on prévoira une exploitation intensive des calories dégagées et la valorisation interne de tous les sous-produits et résidus résultant des opérations de conversion.

Production d'ammoniac à partir d'huile lourde résiduelle

· Flux de déchets, polluants et mesures de protection

Du fait de la matière première utilisée et des méthodes de gazéification et d'épuration mises en oeuvre, ce procédé génère non seulement des résidus solides tels des cendres et des sels, mais également des sous-produits et déchets liquides et gazeux.

Il existe de nombreux procédés permettant de traiter les flux de déchets et d'éliminer les polluants, de sorte que de telles installations peuvent même fonctionner en conformité avec les réglementations sévères de la RFA en matière d'environnement. D'une façon générale, on appliquera les observations faites au point 2.1.1 pour le traitement des effluents gazeux, des eaux usées et des résidus solides.

Résidus spécifiques à l'ammoniac fabriqué à partir d'huiles lourdes résiduelles

- Du H2S comme produit de conversion du soufre contenu dans les matières premières. On en fait du soufre élémentaire par application du procédé Claus, offrant un rendement de 98% (il est même possible d'atteindre un taux de 99% par des étapes de traitement complémentaires) ou encore de l'acide sulfurique par catalyse humide, permettant également d'atteindre un rendement de 98%.
- Des eaux de procédé, chargées des métaux contenus dans les matières premières, par ex. Ni, V, Co, etc. et de composés hydrosolubles tels H2S, CNS, HCN, As, NH3, Cl, et MeOH, formés lors du procédé de gazéification à partir des autres éléments de la matière première. Ces eaux usées doivent être épurées par des processus appropriés et par biodégradation avant d'être déversées dans des cours d'eau. Dans la plupart des cas, il faut prévoir une étape de séparation des métaux. Les résidus de métaux lourds ainsi recueillis devront être évacués vers des décharges spéciales ou traités dans des usines en vue de leur récupération.

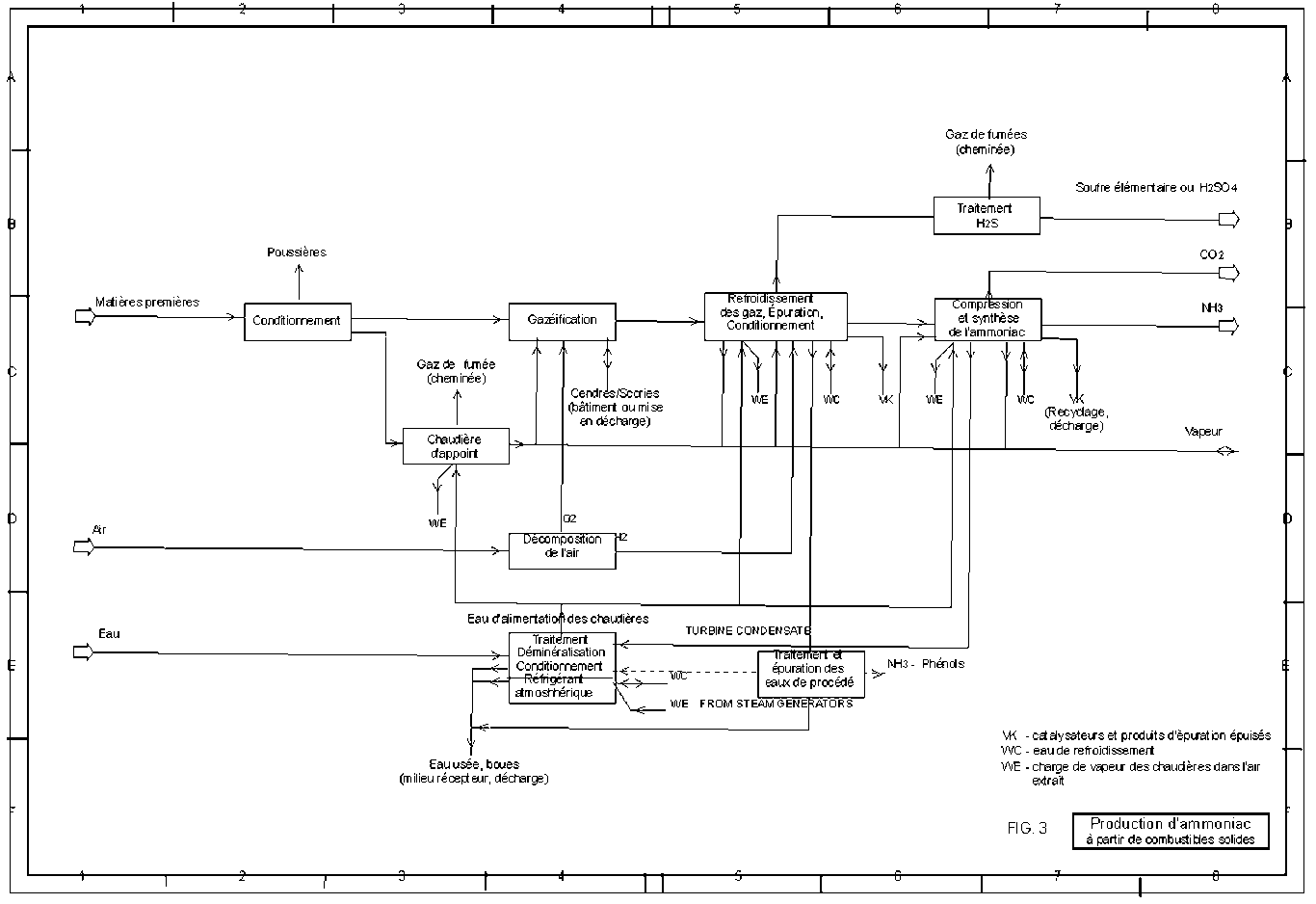
2.1.3 Production d'ammoniac de synthèse à partir de combustibles solides

L'oxydation partielle de houille, lignite, coke, tourbe, etc. à l'aide de l'oxygène fourni par une installation de décomposition de l'air (produisant également l'azote nécessaire à la synthèse de l'ammoniac), en présence de vapeur d'eau et à des températures supérieures à 1200°C, permet d'obtenir un gaz brut constitué de H2, CO, CO2 et CH4.

Tout comme pour l'oxydation partielle d'hydrocarbures liquides (point 2.1.2), les impuretés contenues dans le gaz brut sont dues essentiellement à la composition de la matière première et aux conditions de production (pression et température). Le soufre se présente presque exclusivement sous la forme H2S. Au cours des étapes d'épuration et de conditionnement suivantes, qui correspondent en principe aux procédés appliqués au retraitement des huiles lourdes résiduelles (point 2.1.2.), on extrait l'hydrogène pur qui, combiné à l'azote récupéré par décomposition de l'air, servira à la synthèse de l'ammoniac.

Pour la gazéification industrielle de solides, on fait aujourd'hui couramment appel aux procédés suivants:

- lit fixe (gazéifieur Lurgi)
- lit fluidisé (gazéifieur Winkler)
- lit entraîné (procédés Koppens-Tokek et Texaco)

En amont de la gazéification, on retrouve toujours les installations de déchargement et de stockage des arrivages de combustible ainsi que les étapes de conditionnement préparant les produits aux différents procédés de gazéification.

L'ensemble du processus consommant de grandes quantités d'énergie, on s'efforcera toujours d'exploiter au maximum les possibilités de récupération des calories.

· Flux de déchets, polluants et mesures de protection

Tous les procédés mis en oeuvre produisent non seulement des résidus solides comme de la cendre, des scories et des sels, mais aussi des sous-produits et déchets liquides et gazeux, dont les quantités et la nature sont déterminées par la composition des matières premières, les procédés de gazéification et d'épuration des gaz.

Il existe de nombreux procédés permettant de valoriser les flux de déchets et d'éliminer les polluants, de sorte qu'une installation moderne de gazéification de combustibles peut fonctionner en conformité avec les réglementations sévères de la RFA en matière d'approvisionnement en énergie.

D'une façon générale, on appliquera les observations faites aux points 2.1.1 et 2.1.2 pour le traitement des effluents gazeux, des eaux usées et des résidus solides.

Production d'ammoniac à partir de combustibles solides

Il convient de signaler par ailleurs:

- Les poussières, engendrées par le transport, le stockage et la préparation des combustibles. Ce problème peut être maîtrisé sans difficultés majeures par les mêmes méthodes que celles employés habituellement dans les centrales à charbon, où elles ont déjà fait leurs preuves.
- Les eaux d'infiltration provenant de l'entreposage des combustibles. Le cas échéant, des mesures de drainage et/ou la protection des nappes souterraines par une couche imperméable d'argile permettront d'éviter les répercussions néfastes sur l'environnement.
- Les eaux usées chargées d'ammoniac, de phénol, de cyanures et de goudron, qui résultent de certains procédés. Ici aussi, il existe des méthodes permettant de séparer ces impuretés et de récupérer chacune des substances.
- Les cendres et/ou les scories issues des gazéifieurs. On vérifiera dans chaque cas particulier quelles sont les possibilités de valorisation (par ex. dans le secteur du bâtiment) ou de mise en décharge envisageables.

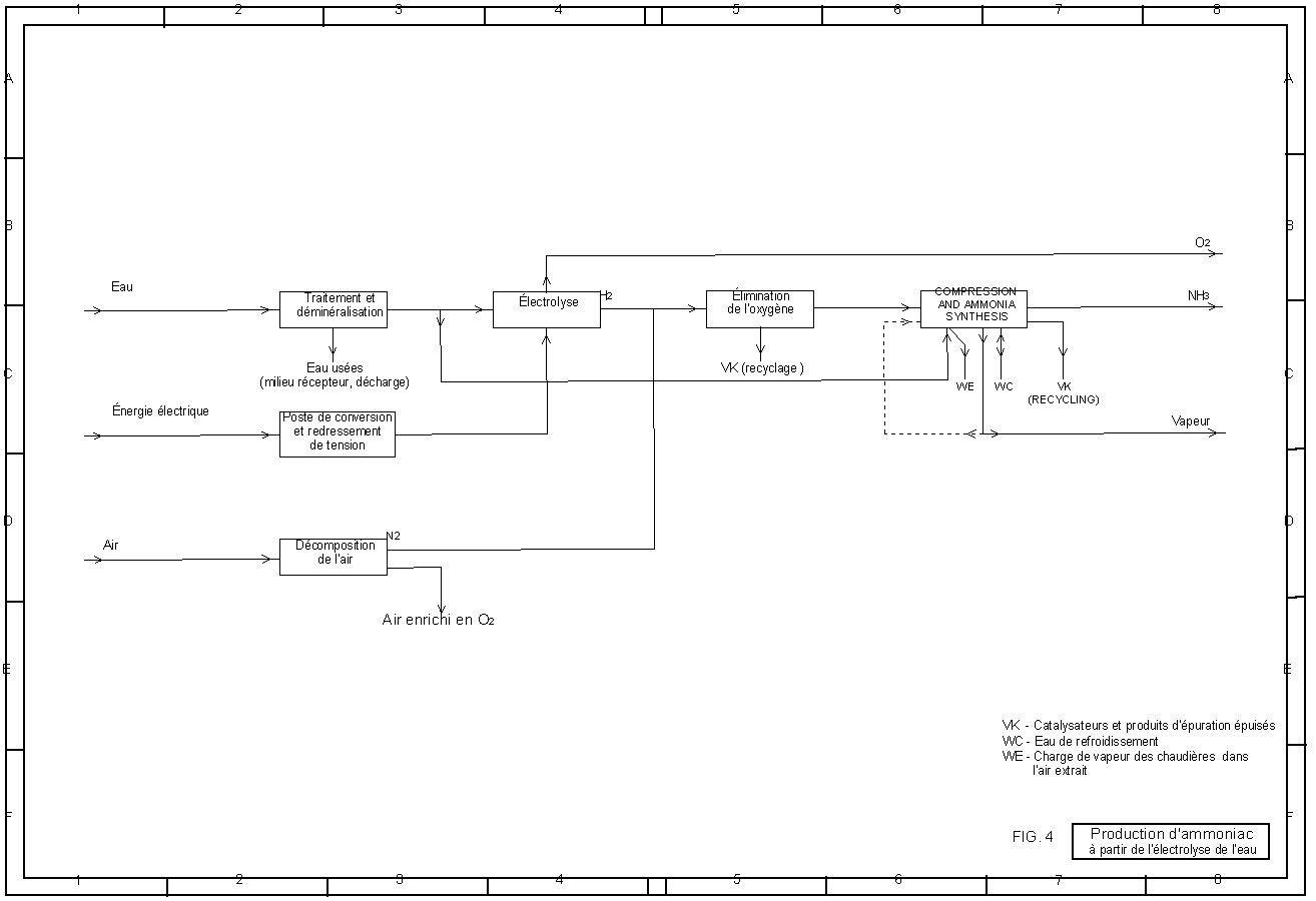
2.1.4 Electrolyse de l'eau et décomposition de l'air

Comme matière première, on emploie de l'eau entièrement déminéralisée produite par des échangeurs d'ions et des lits filtrants multicouches. L'électrolyse consommant énormément de courant, cette méthode n'est retenue que lorsqu'on dispose d'énergie excédentaire bon marché ou lorsque les autres matières premières font défaut. L'azote nécessaire à la synthèse de l'ammoniac est obtenu par décomposition de l'air. A partir de l'électrolyse, on peut récupérer de l'oxygène d'un haut degré de pureté, convenant à de nombreux usages techniques, tandis que la décomposition de l'air n'engendre que des effluents gazeux enrichis en oxygène, qui sont en général reconduits à l'atmosphère.

· Flux de déchets

Les déchets produits en continu se limitent aux eaux usées de l'installation de déminéralisation et aux eaux de purge du circuit d'eau de refroidissement, qu'on traitera conformément aux indications du point 2.1.1. Le métal précieux employé comme catalyseur pour l'élimination de l'oxygène résiduel du gaz de synthèse n'est remplacé qu'à intervalle de plusieurs années et peut être retourné au fabricant en vue d'un retraitement.

Production d'ammoniac à partir de l'electrolyse de l'eau

2.2. synthèse et stockage de l'ammoniac

La conversion catalytique d'hydrogène et d'azote d'un haut degré de pureté qui fournit l'ammoniac est une réaction exothermique s'effectuant à des pressions supérieures à 100 bar et à des températures de 350°C à 550°C.

3 H2 + N2 = 2 NH3

Selon les proportions des produits mis en présence, la conversion est plus ou moins complète. L'ammoniac qui se forme est condensé par refroidissement (air, eau de refroidissement, froid) et évacué sous forme liquide. Les gaz non convertis sont recirculés. Ceci amène un enrichissement en composants inertes (CH4, Ar, He) qui doivent être extraits du processus par rinçage continu dans un flux de gaz. En combinaison avec les gaz de détente de l'ammoniac produit, le flux de gaz de rinçage peut être employé au chauffage de l'installation de production de gaz synthétique, les éléments NH3, H2, N2 et Ar pouvant être séparés auparavant dans une installation de récupération.

L'ammoniac liquide est soit envoyé directement aux installations de traitement consécutives, soit stocké en citerne. Le stockage peut se faire sous pression à la température ambiante ou à une température légèrement plus faible, ou encore à la pression atmosphérique par des températures d'environ -33°C.

· Flux de déchets, polluants et mesures de protection

Il n'y a aucune émission de polluants au cours du fonctionnement normal de l'installation. Les effluents gazeux produits en continu sont traités au sein du système ou par l'installation de production de gaz de synthèse.

L'élimination du catalyseur constitué de fer additionné de faibles quantités de Al2O3, K2O, MgO, CaO et SiO2, qui doit se faire à intervalles de 5 à 10 ans, ne pose pas de problèmes (par ex. métallurgie, construction de routes).

Les vapeurs d'ammoniac étant fortement irritantes et le liquide lui-même provoquant des brûlures et des gelures, il faudra prévoir des mesures de sécurité pour les cas d'accidents - notamment en ce qui concerne le stockage - par ex. citerne à doubles parois, bassins permettant de recueillir les fuites éventuelles et rideaux d'eau.

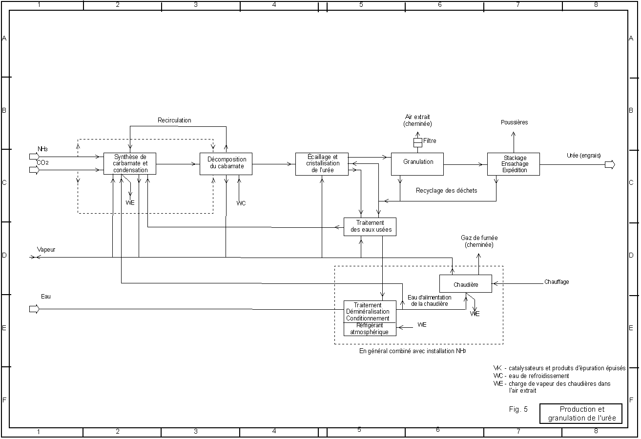
2.3 Synthèse et granulation de l'urée

L'urée est produite à partir d'ammoniac et de dioxyde de carbone, sous-produit de l'ammoniac synthétique, fabriqué à partir d'hydrocarbures. Il s'agit d'un procédé se déroulant en deux étapes sous une pression de 140 à 250 bar.

1ère étape: Synthèse de carbamate d'ammonium (réaction exothermique)

2 NH3 + CO2 = NH2 - CO - ONH4

2ème étape: Décomposition thermique du carbamate en urée (réaction endothermique)

NH2 - CO - ONH4 = CO (NH2)2 + H2O

L'urée obtenue se présente sous forme de solution aqueuse d'une concentration d'env. 70 à 80% que l'on transforme par évaporation sous vide de l'eau en une masse se prêtant au pompage (urée fondue).

La transformation suivante donne un engrais granulé. Elle consiste soit en un prillage, procédé où les gouttelettes d'urée se solidifient dans un courant d'air ascendant lors de leur chute à l'intérieur de la tour de prillage, soit en une granulation de l'urée fondue sur des disques rotatifs ou autres dispositifs à refroidissement ou par le procédé en lit fluidisé.

Les granulés sont en partie directement ensachés et/ou entreposés en vrac dans des halls.

· Flux de déchets, polluants et mesures de protection

(a) Effluents gazeux:

- Les effluents gazeux de la synthèse ne contiennent que du CO2 et de l'air ainsi que des traces des gaz H2, CH4 et Ar dissous dans l'ammoniac, puisqu'ils doivent tous subir un lavage avant leur émission à l'atmosphère.
- Les effluents gazeux des tours de prillage ou des installations de granulation entraînent toujours une certaine quantité de poussières d'urée qui devra subir un filtrage afin de limiter les rejets et d'éviter ainsi des apports trop importants d'engrais dans les sols au voisinage des usines, pouvant également entraîner une pollution des cours d'eau.

(b) Eaux usées:

- Les eaux usées proviennent essentiellement des lavages de gaz et sont chargées de NH3, de CO2 et d'urée. L'ensemble des eaux usées est traité au sein du procédé afin de limiter autant que possible les besoins en eau d'appoint et de minimiser les pertes en matières premières et en produit. Les quantités restant à évacuer peuvent être épurées facilement par voie biologique.

(c) Résidus solides:

- Les résidus du dépoussiérage des effluents gazeux, constitués presque exclusivement du produit élaboré dans les installations sont réintroduits dans le processus.

Production et granulation de l'urée

3. Aspects à inclure dans l'analyse et l'évaluation des effets sur l'environnement

Les installations de production d'engrais décrites dans le présent dossier ont des effets sur l'air, les cours d'eau et les sols et sont également responsables de nuisances sonores. Toutefois, n'importe quelle installation peut en principe fonctionner selon des procédés permettant de limiter les influences néfastes sur l'environnement.

En Allemagne, les réglementations relatives à la qualité de l'air sont regroupées pour l'essentiel dans les Instructions Techniques pour le maintien de la pureté de l'air "TA-Luft. Les seuils limites d'émission pour les différents types d'installations et de polluants sont définis par le texte législatif du 27/02/1986 "Allgemeine Verwaltungsvorschriften zum Bundesimmissionsschutzgesetz". Ce texte comprend en outre une série de Instructions du VDI (Verein Deutscher Ingenieure, Association d'ingénieurs allemands) relatives aux techniques de process, d'épuration des gaz et de mesure des émissions dont il faut tenir compte. D'autres pays ont fixé des réglementations analogues, notamment la Suisse avec une ordonnance sur la préservation de la qualité de l'air et les Etats-Unis où sont appliquées les prescriptions du "Clear Air Act".

Dans les pays ne disposant pas d'une réglementation propre, on se réfère fréquemment aux principes des Instructions Techniques pour le maintien de la pureté de l'air "TA-Luft" ou à d'autres réglementations étrangères pour la planification de projets.

Dans ces installations, le principal responsable de la pollution de l'air est l'anhydride sulfureux - SO2 - contenu dans les effluents gazeux. Dans le cadre de la production de soufre, les Instructions Techniques pour le maintien de la pureté de l'air "TA-Luft fixent le taux limite d'émission de 0,5% à 3% suivant la taille des installations. Parmi les procédés d'épuration existants, certains ne permettent pas de respecter ces valeurs, mais sont néanmoins employés lorsque la réglementation en vigueur est moins sévère.

Pour ce qui est de la catalyse par voie humide utilisée pour la production d'acide sulfurique, le taux de conversion minimum à respecter se situe à 97,5%. Les émissions d'anhydride sulfurique ne doivent pas dépasser 60 mg/m3 pour un flux constant et 120 mg/m3 pour des émissions intermittentes.

Quant aux émissions de NOx dans les gaz de fumées des foyers - fours tubulaires, générateurs de vapeur, réchauffeurs de démarrage - les Instructions Techniques pour le maintien de la pureté de l'air "TA-Luft prescrivent des seuils limites qui peuvent être respectés sans autres difficultés.

Les émissions de poussière des installations de production d'urée sont limitées à 50 mg/m3. La teneur des effluents gazeux en ammoniac libre est limitée à 35 mg/m3. Les charges de poussière sont mesurées par gravimétrie au moyen d'appareils à tête filtrante. Les quantités d'ammoniac libre sont déterminées par titrimétrie.

Le choix du procédé de traitement des eaux usées se fait en fonction de la réglementation locale. En Allemagne, on applique la loi sur la gestion des eaux (Wasserhaushaltsgesetz) avec les prescriptions administratives correspondantes relatives aux exigences minimums pour le rejet d'eaux usées dans des cours d'eau. Dans le cas des installations de production d'engrais, il est possible de respecter la prescription correspondante n° 44.

Dans les cas extrêmes où le traitement d'épuration permet d'éliminer entièrement les eaux usées, on n'a alors plus que soit des résidus d'incinération qui doivent être mis sur des décharges spéciales aménagées de façon à éviter les risques de lessivage, soit des solutions résiduelles concentrées à entreposer définitivement dans des trous de forage profonds.

Les catalyseurs épuisés et les résidus de produits d'épuration à récupérer tous les 2 ans tout au plus représentent des quantités négligeables, qui sont d'ailleurs recyclées par les usines métallurgiques ou évacuées à titre de déchets spéciaux.

Pour ce qui est des cendres et des scories restant des combustibles solides ayant servi à la production d'ammoniac, on vérifiera au cas par cas les possibilités de valorisation ou la nécessité d'une mise en décharge.

Les Instructions Techniques "TA-Lärm" concernent, elles, la lutte contre les nuisances sonores. Elles fixent des seuils limites pour ces nuisances, échelonnés en fonction des sites et de leur affectation, ainsi que des heures de la journée et de la nuit. Le niveau global d'émergence est déterminant. Les mesures de lutte contre le bruit sont à prévoir dès la planification d'unités de production, d'autant plus qu'elles reviennent très chères lorsqu'elles doivent être réalisées après coup. Le site d'implantation devra donc être choisi de façon à respecter une distance convenable jusqu'aux prochaines habitations ou exploitations, et on empêchera par la suite tout rapprochement par extension des agglomérations.

En ce qui concerne les conditions de travail du personnel, la concentration en polluants et les nuisances sonores sur le lieu de travail ainsi que la sécurité du travail en général sont réglementées en Allemagne par la TRgA900 avec les valeurs MAK et TRK, par l'ordonnance sur les établissements professionnels et la conception des postes de travail ainsi que par les prescriptions des associations professionnelles pour la prévention des accidents. Il existe des réglementations analogues dans d'autres pays, par ex. les normes sanitaires pour établissements industriels (SN 245-71) en vigueur en URSS.

4. Interactions avec d'autres domaines d'intervention

Etant donné l'importance des besoins en énergie et en matières premières, les installations de production d'ammoniac et d'urée s'établissent habituellement à proximité des sources de matières premières ou des voies de communication. On peut citer notamment les installations d'extraction du pétrole et du gaz naturel, les raffineries, les terminaux de gazoducs ou oléoducs, les centres de stockage de gaz naturel liquéfié, les mines de charbon, les centrales thermiques, les cokeries, ou encore les centrales hydrauliques produisant un important excédent d'électricité (pour l'électrolyse de l'eau).

La proximité d'autres établissements de production d'engrais comme les engrais NP ou NPK est également profitable.

En revanche, les implantations axées uniquement sur les centres le consommation ne présentent pas un grand intérêt si elles n'offrent pas simultanément des avantages du point de vue de l'approvisionnement en matières premières ou en énergie (ports, centrales électriques, etc.).

5. Appréciation récapitulative des effets sur l'environnement

Les installations de production d'ammoniac et d'urée sont génératrices de sous-produits gazeux, de résidus, d'eaux usées, de chaleur, et de catalyseurs épuisés, ainsi que de bruit et autres effets sur l'environnement liés généralement aux activités industrielles.

La production d'ammoniac synthétique consommant de grandes quantités d'énergie, à savoir env. 29 GJ/t de NH3 dans les installations modernes fonctionnant au gaz naturel et jusqu'à plus de 70 GJ/t de NH3 dans les installations utilisant du charbon comme combustible, on peut comparer les répercussions écologiques de ce type d'activité avec celles de centrales électriques (cf. dossier sur les centrales thermiques traditionnelles).

Les méthodes modernes d'épuration des gaz et des eaux permettent de répondre aux réglementations écologiques les plus sévères. Le gaz naturel est la matière première la moins exigeante à cet égard, tandis que le charbon - en raison de sa composition complexe - nécessite la mise en oeuvre de techniques plus élaborées. Pour la production d'urée sous forme de granulés, on veillera avant tout à une technique de dépoussiérage efficace. Il importe également de disposer d'une installation adéquate pour le traitement des eaux usées ainsi que de possibilités de mise en décharge compatibles avec les impératifs de l'environnement.

Dans les zones de concentration industrielle, il peut s'avérer nécessaire d'installer des systèmes de refroidissement d'air ou des réfrigérants atmosphériques secs pour éviter les nuisances dues à l'évacuation des calories par un circuit d'eau de refroidissement (réchauffement des eaux mises à contribution).

On assurera la participation des populations concernées à la planification d'un projet de ce genre. Par ailleurs, les personnes habitant dans la zone d'implantation du projet devront pouvoir avoir accès à des soins médicaux.

Dans le cas de projets nouveaux dans des pays ne disposant pas d'un système de surveillance étatique, on retiendra les technologies convenant le mieux aux conditions particulières rencontrées.

Il importe avant tout de surveiller et d'entretenir systématiquement les installations, afin d'en garantir le bon fonctionnement - un aspect qui a vite tendance a être négligé. A cet effet, on nommera au sein de l'entreprise un responsable des questions d'environnement, qui aura les compétences requises. Ce responsable sera également chargé des mesures de formation et de perfectionnement du personnel en ce qui concerne les problèmes de l'environnement.

En résumé, nous pouvons affirmer que la production d'ammoniac et d'urée ne génère pratiquement pas de nuisances - si l'on fait abstraction de la chaleur dissipée et des impuretés contenues dans les matières premières -, à condition de prendre toutes les mesures qui s'imposent dans le cadre de la planification et de l'exploitation des installations.


Table des matières - Précédente - Suivante